Модуль Wi-Fi ESP-01 розроблений командою Ai-thinker. Основний процесор ESP8266 у менших розмірах модуля
інкапсулює Tensilica L106, що інтегрує надмалопотужний 32-бітний MCU мікроконтролер, з 16-бітним коротким
режимом, тактова частота підтримує 80 МГц, 160 МГц, підтримує RTO5, інтегрований Wi-Fi MAC/BB/RF/PA/LNA,
антена
на платі.
Модуль підтримує стандартний протокол IEEE802.11 b/g/n, повний стек протоколів TCP/IP. Користувачі можуть
використовувати додавання модулів до існуючого пристрою для мережевого підключення або створення окремого
мережевого контролера.
ESP8266 є високоінтегрованими бездротовими SoC, розробленими для конструкторів мобільних платформ з
обмеженнями
за простором та енергоспоживанням. Він забезпечує неперевершену можливість вбудовувати функції Wi-Fi в
інші
системи або функціонувати як автономний додаток з найнижчою вартістю та мінімальними вимогами до простору.
1. Блок-схема ESP8266EX
ESP8266EX пропонує повне та автономне рішення для мереж Wi-Fi; його можна використовувати для розміщення
додатка або для передачі мережевих функцій Wi-Fi від іншого процесора додатків.
Коли ESP8266EX виконує роль хоста додатка, він завантажується безпосередньо з зовнішньої флеш-пам'яті. Він
має
інтегрований кеш для підвищення продуктивності системи в таких додатках.
Крім того, виконуючи роль адаптера Wi-Fi, бездротовий доступ до Інтернету можна додати до будь-якої
конструкції
на базі мікроконтролера за допомогою простої взаємодії (інтерфейс SPI/SDIO або I2C/UART).
1.1 Характеристики
- 802.11 b/g/n
- Інтегрований малопотужний 32-бітний MCU
- Інтегрований 10-бітний АЦП
- Інтегрований стек протоколів TCP/IP
- Інтегрований TR-комутатор, балун, LNA, підсилювач потужності та узгоджуючий ланцюг
- Інтегрований PLL, регулятори та блоки керування живленням
- Підтримка різноманіття антен (antenna diversity)
- Wi-Fi 2.4 ГГц, підтримка WPA/WPA2
- Підтримка режимів роботи STA/AP/STA+AP
- Підтримка функції Smart Link для пристроїв Android та iOS
- SDIO 2.0, (H)SPI, UART, I2C, I2S, IRDA, PWM, GPIO
- STBC, 1x1 MIMO, 2x1 MIMO
- Aggregation A-MPDU & A-MSDU та інтервал захисту 0.4 с
- Потужність у глибокому сні <10 мкА, Струм витоку у вимкненому стані < 5 мкА
- Пробудження та передача пакетів за < 2 мс
- Споживання потужності в режимі очікування < 1.0 мВт (DTIM3)
- Вихідна потужність +20 дБм у режимі 802.11b
- Діапазон робочих температур -40°C ~ 125°C
1.2. Параметри
У таблиці 1 нижче описані основні параметри.
Таблиця 1 Параметри
| Категорія |
Параметр |
Значення |
| Параметри Wi-Fi |
Протоколи Wi-Fi |
802.11 b/g/n |
| Діапазон частот |
2.4ГГц-2.5ГГц (2400М-2483.5М) |
| Апаратні параметри |
Шина периферійних пристроїв |
UART/HSPI/I2C/I2S/ІЧ-пульт GPIO/PWM |
| Робоча напруга |
3.0~3.6В |
| Робочий струм |
Середнє значення: 80 мА |
| Діапазон робочих температур |
-40°~125° |
| Діапазон температур навколишнього середовища |
Кімнатна температура |
| Розміри модуля |
14.3мм*24.8мм*3мм |
| Зовнішній інтерфейс |
Н/Д |
| Програмні параметри |
Режим Wi-Fi |
station/softAP/SoftAP+station |
| Безпека |
WPA/WPA2 |
| Шифрування |
WEP/TKIP/AES |
| Оновлення прошивки |
Завантаження через UART / OTA (через мережу) / завантаження та запис прошивки через хост |
| Програмна розробка |
Підтримує розробку на хмарному сервері / SDK для розробки власної прошивки |
| Мережеві протоколи |
IPv4, TCP/UDP/HTTP/FTP |
| Конфігурація користувача |
Набір AT-команд, Хмарний сервер, Додаток для Android/iOS |
2. Опис контактів
Всього налічується 8 контактів, визначення яких описані в таблиці 2 нижче.
Таблиця 2 Опис контактів
| № |
Назва виводу |
Функція |
| 1 |
GND |
Земля |
| 2 |
GPIO2 |
GPIO, внутрішня підтяжка до живлення |
| 3 |
GPIO0 |
GPIO, внутрішня підтяжка до живлення |
| 4 |
RXD |
UARTO, вивід отримання даних RXD |
| 5 |
VCC |
Джерело живлення 3.3В (VDD) |
| 6 |
RST |
1) Зовнішній вивод скидання, активний у низькому рівні 2) Може бути піднятий або керований
зовнішнім
MCU |
| 7 |
CH_PD |
Вивід дозволу роботи мікросхеми. Активний у високому рівні. |
| 8 |
TXD |
UARTO, вивід передачі даних TXD |
Таблиця 3 Режими контактів
| Режим |
GPIO15 |
GPIO0 |
GPIO2 |
| UART |
Low |
Low |
High |
| Завантаження з Flash |
Low |
High |
High |
Таблиця 4 Чутливість приймача
| Параметри |
Мін. |
Тип. |
Макс. |
Од. вим. |
| Вхідна частота |
2412 |
|
2484 |
МГц |
| Вхідний імпеданс |
|
50 |
|
Ом |
| Вхідне відображення |
|
|
-10 |
дБ |
| Вихідна потужність PA для 72.2 Мбіт/с |
15.5 |
16.5 |
17.5 |
дБм |
| Вихідна потужність PA для режиму 11b |
19.5 |
20.5 |
21.5 |
дБм |
| Чутливість |
| DSSS, 1 Мбіт/с |
|
-98 |
|
дБм |
| CCK, 11 Мбіт/с |
|
-91 |
|
дБм |
| 6 Мбіт/с (1/2 BPSK) |
|
-93 |
|
дБм |
| 54 Мбіт/с (3/4 64-QAM) |
|
-75 |
|
дБм |
| HT20, MCS7 (65 Мбіт/с, 72.2 Мбіт/с) |
|
-72 |
|
дБм |
| Затухання у сусідньому каналі |
| OFDM, 6 Мбіт/с |
37 |
|
|
дБ |
| OFDM, 54 Мбіт/с |
21 |
|
|
дБ |
| HT20, MCS0 |
37 |
|
|
дБ |
| HT20, MCS7 |
20 |
|
|
дБ |
3. Корпус та габарити
Зовнішній розмір модуля становить 14.3мм*24.8мм*3мм, як показано на малюнку 3 нижче. Тип флеш-пам'яті,
інтегрованої в цей модуль, - SPI flash, ємністю 1 МБ, а розмір корпусу - SOP-210mil. Антена, використана на
цьому модулі, - це друкована антена на платі з коефіцієнтом підсилення 3 дБі.
Малюнок 3 [Кількість контактів модуля, 8 контактів, 14.3 мм * 24.8 мм * 3.0 мм]
Малюнок 4 Вигляд зверху модуля Wi-Fi ESP-01
Таблиця 5 Габарити модуля Wi-Fi ESP-01
| Довжина |
Ширина |
Висота |
Розмір контактної площадки (знизу) |
Крок контактів |
| 14.3 мм |
24.8 мм |
3 мм |
0.9 мм x 1.7 мм |
2.54 мм |
4. Функціональний опис
4.1. MCU
ESP8266EX має вбудований 32-бітний мікроконтролер (MCU) Tensilica L106, який відрізняється надзвичайно
низьким енергоспоживанням та 16-бітною RSIC. Тактова частота CPU становить 80 МГц. Вона також може
досягати
максимального значення 160 МГц. ESP8266EX часто інтегрується з зовнішніми датчиками та іншими спеціальними
пристроями через свої GPIO; коди для таких додатків надаються в прикладах у SDK.
4.2. Організація пам'яті
4.2.1. Внутрішня SRAM та ROM
Wi-Fi SoC ESP8266EX має вбудований контролер пам'яті, включаючи SRAM та ROM. MCU може отримувати доступ
до
блоків пам'яті через інтерфейси iBus, dBus та AHB. До всіх блоків пам'яті можна отримати доступ за
запитом,
тоді як арбітр пам'яті визначатиме порядок виконання відповідно до часу отримання цих запитів процесором.
Згідно з наданою поточною версією SDK, доступний для користувачів простір SRAM розподіляється таким
чином:
- Розмір RAM < 36 КБ, тобто коли ESP8266EX працює в режимі станції (station) та підключена до
маршрутизатора, програмний простір, доступний користувачеві в купі (heap) та розділі даних, становить
близько 36 КБ.
- У SoC немає програмованої ROM, тому програма користувача повинна зберігатися у зовнішній SPI
flash-пам'яті.
4.2.2. Зовнішня SPI Flash
Цей модуль оснащений зовнішньою SPI flash-пам'яттю на 1 МБ для зберігання програм користувача. Якщо
потрібен
більший програмний простір, рекомендується використовувати SPI flash-пам'ять з більшим обсягом пам'яті.
Теоретично може підтримуватися ємність пам'яті до 16 МБ.
Рекомендована ємність SPI Flash-пам'яті:
- OTA вимкнено: мінімальна підтримувана флеш-пам'ять - 512 КБ;
- OTA увімкнено: мінімальна підтримувана флеш-пам'ять - 1 МБ.
Можуть підтримуватися кілька режимів SPI, включаючи Standard SPI, Dual SPI та Quad SPI.
Тому, будь ласка, вибирайте правильний режим SPI під час завантаження у флеш-пам'ять, інакше завантажені
прошивки/програми можуть працювати неправильно.
4.3. Кварцовий резонатор
Наразі підтримуються частоти кварцових резонаторів: 40 МГц, 26 МГц та 24 МГц. Точність застосовуваних
кварцових резонаторів повинна бути ±10 ppm, а діапазон робочих температур повинен бути від -20°C до 85°C.
Під час використання інструментів завантаження пам'ятайте вибрати правильний тип кварцового резонатора. У
схемотехніці до входу та виходу кварцового резонатора додаються конденсатори C1 та C2 відповідно,
підключені
до землі. Номінали цих двох конденсаторів можуть бути гнучкими, від 6 пФ до 22 пФ, однак конкретні ємності
C1
та C2 залежать від подальшого тестування та коригування загальної продуктивності всієї схеми. Зазвичай,
ємності C1 та C2 знаходяться в межах 10 пФ, якщо частота кварцового резонатора становить 26 МГц, тоді як
значення C1 та C2 становлять 10 пФ < C1, C2 < 22 пФ, якщо частота кварцового резонатора становить 40
МГц.
4.4. Інтерфейси
Таблиця 6 Опис інтерфейсів
| Інтерфейс |
Назви виводів |
Опис |
| HSPI |
IO12(MISO) IO13(MOSI) IO14(CLK) IO15(CS) |
SPI Flash 2, дисплей та MCU можна підключити за допомогою інтерфейсу HSPI. |
| PWM |
IO12(R) IO15(G) IO13(B) |
Наразі інтерфейс PWM має чотири канали, але користувачі можуть розширювати канали за власними
потребами.
Інтерфейс PWM можна використовувати для керування світлодіодами, зумерами, реле, електронними
машинами
тощо. |
| ІЧ-пульт |
IO14(IR_T) IOS(IR_R) |
Функціональність інфрачервоного пульта дистанційного керування може бути реалізована за допомогою
програмного забезпечення. Цей інтерфейс використовує кодування NEC, модуляцію та демодуляцію.
Частота
модульованого несійного сигналу - 38 кГц. |
| АЦП (ADC) |
TOUT |
ESP8266EX інтегрує 10-бітний АЦП. Його можна використовувати для тестування напруги живлення
VDD3P3
(виводи 3 та 4) та вхідної напруги живлення TOUT (вивід 6). Однак ці дві функції не можна
використовувати
одночасно. Цей інтерфейс зазвичай використовується в сенсорних продуктах. |
| I2C |
IO14(SCL) IO2(SDA) |
Інтерфейс I2C можна використовувати для підключення зовнішніх сенсорних продуктів та дисплеїв
тощо.
|
| UART |
UARTO: TXD (U0TXD) RXD (U0RXD) IO15 (RTS) IO13 (CTS)
UART1: IO2(TXD)
|
Пристрої з інтерфейсами UART можна підключати до модуля.
Завантаження: U0TXD+U0RXD або GPIO2+U0RXD
Зв'язок: UARTO: U0TXD, U0RXD, MTDO (U0RTS), MTCK (U0CTS)
Налагодження: UART1_TXD (GPIO2) можна використовувати для виведення налагоджувальної інформації.
|
| За замовчуванням UARTO виводить деяку інформацію при включенні живлення та
завантаженні
пристрою. Якщо це впливає на певні додатки, користувачі можуть обміняти внутрішні виводи UART під
час
ініціалізації, тобто обміняти U0TXD, U0RXD на U0RTS, U0CTS. |
| I2S |
I2S Input: IO12 (I2SL_DATA); IO13 (I2SL_BCK); IO14 (I2SL_WS);
I2S Output: IO15 (I2SO_BCK); IO3 (I2SO_DATA); IO2 (I2SO_WS).
|
Інтерфейс I2S в основному використовується для збору, обробки та передачі аудіоданих. |
6. Споживання енергії
Таблиця 6 Споживання енергії
| Параметри |
Мін. |
Тип. |
Макс. |
Од. вим. |
| Передача 802.11b, CCK 11Mbps, P OUT=+17dBm |
|
170 |
|
мА |
| Передача 802.11g, OFDM 54Mbps, P OUT =+15dBm |
|
140 |
|
мА |
| Передача 802.11n, MCS7, P OUT =+13dBm |
|
120 |
|
мА |
| Прийом 802.11b, довжина пакета 1024 байти, -80dBm |
|
50 |
|
мА |
| Прийом 802.11g, довжина пакета 1024 байти, -70dBm |
|
56 |
|
мА |
| Прийом 802.11n, довжина пакета 1024 байти, -65dBm |
|
56 |
|
мА |
| Modem-Sleep① |
|
15 |
|
мА |
| Light-Sleep② |
|
0.9 |
|
мА |
| Deep-Sleep③ |
|
10 |
|
мкА |
- ① Modem-Sleep вимагає, щоб CPU працював, як у додатках PWM або I2S. Відповідно до стандартів
802.11 (як-от U-APSD), для економії енергії схему Wi-Fi Modem можна вимкнути, підтримуючи з'єднання Wi-Fi
без
передачі даних. Наприклад, у DTIM3, для підтримки циклу сон 300 мс - пробудження 3 мс для отримання
Beacon-пакетів від точки доступу, струм становить близько 15 мА.
- ② Під час Light-Sleep CPU може бути призупинений у таких додатках, як Wi-Fi вимикач. Без
передачі
даних схему Wi-Fi Modem можна вимкнути, а CPU - призупинити для економії енергії відповідно до стандарту
802.11 (U-APSD). Наприклад, у DTIM3, для підтримки циклу сон 300 мс - пробудження 3 мс для отримання
Beacon-пакетів від точки доступу, струм становить близько 0.9 мА.
- ③ Deep-Sleep не вимагає підтримки з'єднання Wi-Fi. Для додатків з тривалими інтервалами між
передачами даних, наприклад, датчик температури, який перевіряє температуру кожні 100 с, спить 300 с і
прокидається для підключення до точки доступу (займає близько 0.3~1 с), загальний середній струм становить
менше 1 мА.
7. Температурні параметри
Таблиця 7 Інструкції
| Параметр |
Значення |
| T₅ макс. до T₁ (Швидкість нагріву) |
макс. 3°C/секунду |
| Попередній нагрів |
| Температура Мін.(T₅ Мін.) |
66°C |
| Температура Тип.(T₅ Тип.) |
79°C |
| Температура Мін.(T₅ Макс.) |
93°C |
| Час(T₅) |
60~180 секунд |
| Швидкість нагріву (T₁ до T₆) |
макс. 3°C/секунду |
| Час витримки вище: |
| --Температура(T₁)/Час(T₁) |
103°C/60~150 секунд |
| Пікова температура(T₆) |
127°C макс. протягом 10 секунд |
| Цільова пікова температура (T₆ Ціль) |
127°C +0/-5°C |
| Час у межах 5°C від фактичного піку(t₆) |
20~40 секунд |
| T₅ макс. до T₁ (Швидкість охолодження) |
макс. 6°C/секунду |
| Час від 25°C до Пікової температури (t) |
макс. 8 хвилин |
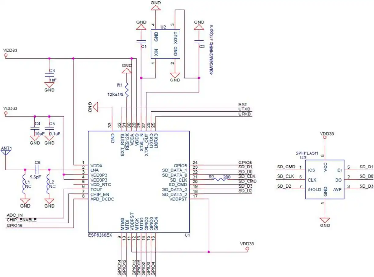
8. Принципові схеми
Малюнок 4. Принципова схема модуля Wi-Fi Esp-01
9. USB-програматор ESP-01/ESP-01S
- Легке налагодження ESP-01: Завдяки наявності чіпа CH340G USB to TTL, це дозволяє легко
здійснювати
- Пряме підключення: Модуль ESP-01 можна безпосередньо підключити до жовтого пінового
роз’єму без
додаткових
проводів.
- Вибір режимів роботи: Вбудований перемикач дозволяє вибирати між режимами UART TTL для
налагодження
через
команди AT та програмування прошивки.
- Різноманітні застосування: Ідеально підходить для автоматизації будинку, сенсорних мереж
та
промислового
бездротового управління.
- Можливість програмування через OTA: Дозволяє здійснювати програмування ESP-01 та Arduino
через "повітря"
після
початкового програмування.